浙江j9国际站官网入口液压科技股份有限公司
j9国际站官网入口液压产品覆盖工程、农业、矿山、工业、环保和军工等各类车辆配套的液压阀、油缸

手机版 微官网 English


销售热线

技术热线:0576-85183757


多路阀系列

所在位置:首页 液压产品 > 多路阀系列 >


关键词:多路阀系列先导阀系列制动阀系列操纵阀系列农机阀系列转向阀系列

>

产品分类 Product Lists

全国服务热线:

0576-85182037

产品样册下载

销售电话:0576-85182037
技术电话:0576-85183757
传真号码:0576-85182843
联系邮箱:haihong@cn-hydraulic.com
公司地址:浙江省临海市江南街道金岭路199号


上一篇:没有了 下一篇:CDB2/3-F15型分片式多路换向阀

产品特点

  • 对不同的执行元件分配流量时,流量与其需求成比例,与泵的饱和状态和负载压力无关(LUDV);

    与变量泵配套使用,当多路阀处于中位时,通过LS口压力反馈,使变量泵斜盘角度最小,油液低压小流量卸荷,节能效果良好。

  • 闭芯,用于变量泵,通过LS溢流阀来限定多路阀的最高压力;

    每一联换向片的流量可调,只需一个变量泵即可满足所有作业功能;


应用领域

主要应用于装载机、平地机等其它工程机械。

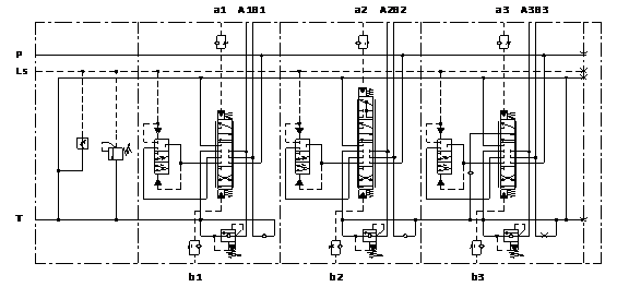
液压原理图

63

技术参数(对超出下述参数的应用场合,请与我公司联系)

概述

结构

整体式

安装方式

见外形图

油口连接方式

螺纹

通径 mm

15

液压

P口最高压力

350

A、B口最高压力bar

420

a、b口最高压力bar

30

允许最大回油背压bar

15

主安全阀压力bar

100~350

二次溢流阀压力bar

150~290

流量 L/min

120(每片最大)

液压油温度范围℃

-20~+100

粘度范围m2/s

10~460

油液允许的污染等级

-/19/16 (ISO4406:1999)

机械

重量 kg

约44.4

产品外形图

67

油口 P、T A、B LS、a、b
尺寸 G1” G3/4” G1/4”

相关产品



j9国际站官网入口液压

销售热线:0576-85182037


技术热线:0576-85183757   传真号码:0576-85182843
联系邮箱:haihong@cn-hydraulic.com   公司地址:浙江省临海市江南街道金岭路199号

友情链接: 多路阀系列 先导阀系列 制动阀系列 操纵阀系列 农机阀系列 转向阀系列 Sitemap TXT Sitemap XML 网站地图

微信二维码
微信官网

手机端二维码
手机官网